如若转载,请注明出处:http://www.shleiyue.com/product/742.html
更新时间:2025-10-18 21:04:02
信息化时代,建筑企业如何精准掌握施工设备数据,实现降本增效
山西建筑产业现代化园区开工 推进绿色建筑发展
全方位防护 建筑工人施工安心,生活放心
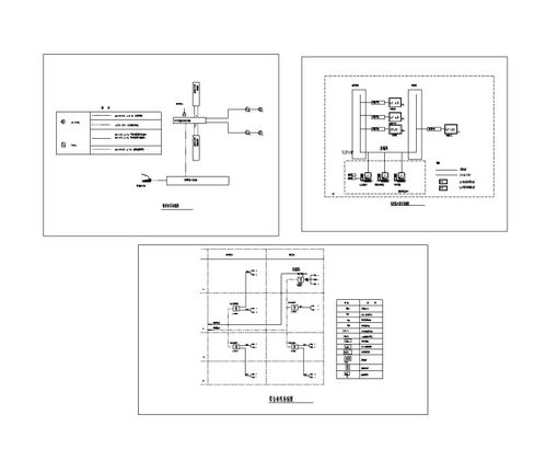
上海综合体建筑建筑智能化施工图
夜集结筑堡垒!江苏建筑企业援建多地“抗疫”医院
广东省电子与智能化工程专业承包一级资质办理条件
保定fs免拆复合保温板设备装配式建筑齐亮相
一套住宅小区弱电智能化工程专项施工图
医院弱电智能化工程cad全套施工图纸 含机房
建筑工程六化指的是什么